Description
Features
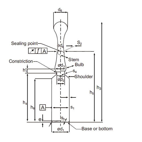
| Bodemhoogte (e) - mm | 1 ± 0,5 |
|---|---|
| Body (d1) - mm | 14,75 ± 0,15 |
| Bulb (d3) - mm | 9 ± 0,5 |
| Dikte (w4) - mm | 0,7 ± 0,15 |
| DIN ISO | DIN ISO 9187-1 |
| Dome (d6) - mm | 12 ± 1 |
| Funnel (d5) - mm | 12,2 ± 1 |
| Glasdikte bodem (w3) - mm | 0.4 |
| Glasdikte body (w1) - mm | 0,55 ± 0,03 |
| Glasdikte van stem meetpunt ( w2) - mm | 0,4 ± 0,05 |
| Hoogte (h1) - mm | 95 ± 1 |
| Hoogte (h4) - mm | 46,5 ± 0,5 |
| Hoogte (h5) - mm | 68 ± 2 |
| Hoogte (h6) - mm | 41 |
| Hydr. Klasse | Type 1 |
| Colour | Amber |
| Material | Glass |
| Midden vernauwing to bulp (h7) - mm | 5.5 |
| Nominal volume - ml | 5 |
| Radius - mm | 1,5 ± 0,5 |
| Stem (d4) - mm | 7 ± 0,35 |
| Uitloop (d7) - mm | 9 ± 1 |
| Uitlooptolerantie (t) - mm | 1 |
| Version | One Point Cut (OPC) |
| Vernauwing (d2) - mm | 7 ± 0,5 |
| Volume tot midden vernauwing (v) - ml | 5.5 |
| Shape | Gesloten hals (Vorm D) |
Characteristics
|
|
|
|
|
|
|
|
|
|
|
|
FAQ
To send us your purchase order you can use your local APG Europe address. However, we would really appreciate it if you would be able to digitally send in your purchase orders to purchase@apg-europe.eu.
Each APG Europe team / division is responsible for the optimal processing of purchase orders of her own customers and the guaranteeing of excellent service. This is regardless the delivery address of your purchase order. We want to keep it as easy as possible for you.
No. The Dutch, German and Belgium team are responsible for their own entry of sales orders and processing order confirmations.
Yes. All accountants and controllers work with the central SAP system for transaction processing. Invoice tracking and invoice processing are the responsibility of the concerning APG Europe office.
Yes, invoicing for delivered goods and services takes place centrally from the SAP system. All invoices are centrally prepared and sent by APG Europe in the Netherlands.
Yes. The secured and secluded customer portal of APG Europe has a direct link with SAP. In this way all customers are able to see into relevant SAP data and transaction related documents. When speaking of SAP data you can think of: price lists, backlog overview, call-off contracts, delivery plans, customer specific stock, batch numbers and so on. Documents available for you to download: quotations, order confirmations, invoices, return orders, credits and certificates.